Maintenance
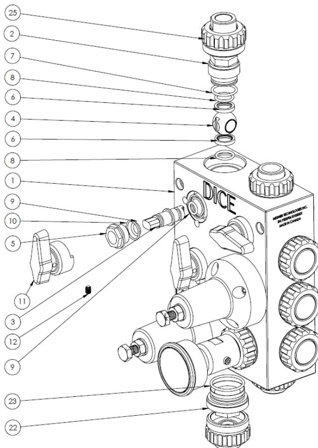
Source: DICE IOM Manual V12E, Pages: 31–38Ball Valve Disassembly

Preparation
- Release inner housing pressure by partially opening the ball valve
- Close all ball valves before disassembly
- Apply axial force when using sockets to prevent skipping
Disassembly Procedure
Remove sleeve cone
Loosen and remove the sleeve cone (22) with a 27mm socket. Only for evacuation ball valve or center ball valve on DM.
Remove seats
Remove ball valve seats (6) from the carrier (2) and block (1). Mark the outward-facing side of each seat with a marker to ensure correct reassembly orientation.
Assembly Procedure
Reverse the disassembly steps, observing these requirements:| Component | Torque | Notes |
|---|---|---|
| Carrier (2) | 20 in-lb (dynamic) | Verify position from block surface |
| Stem nut (5) | 30 in-lb | — |
| Handle set screw (12) | 60 oz-in | — |
Carrier position tolerances
Carrier position tolerances
| Valve | Distance from Block Surface |
|---|---|
| Calibration column, Injection | 0 mm (flush) ± 0.25 mm |
| Evacuation | 71.6 mm (2.820 in) ± 0.25 mm |
Assembly notes
Assembly notes
- When reinstalling seats (6), ensure the marked side faces away from the ball
- If using new seats, operate the ball valve 5 times after torquing the carrier
- Verify O-ring (31) is positioned in the groove when reinstalling connectors
- Grease all O-rings with clear food-grade silicone NLGI #1 grease before assembly
Required tools
Required tools
- 27mm socket (carrier, sleeve cone)
- 22mm socket (stem nut)
- 3mm Allen key (handle set screw)
- Torque wrench
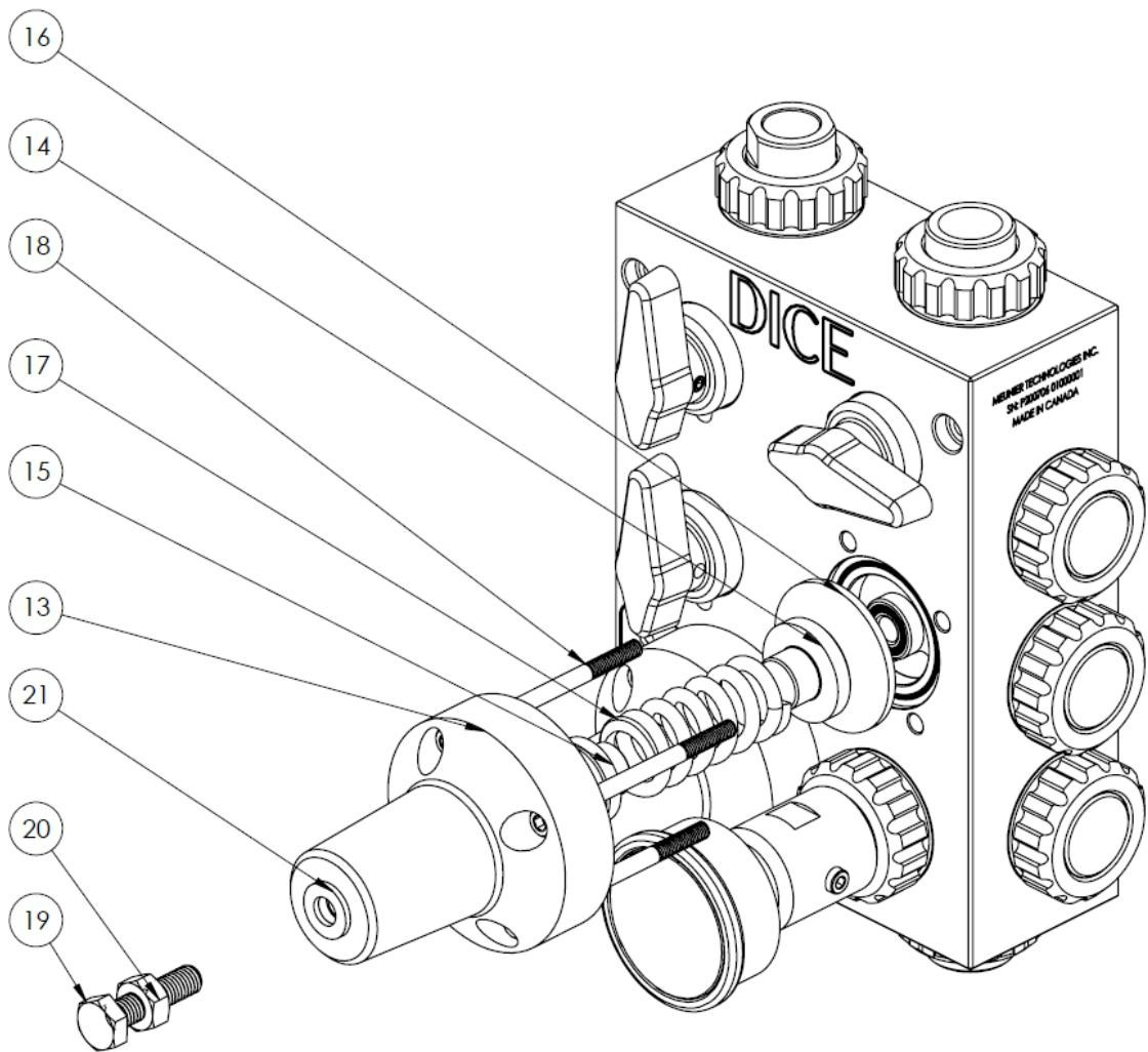
Pressure Relief and Back Pressure Valve Disassembly

Parts reference
Parts reference
| Part | Description |
|---|---|
| 13 | Regulating valve body |
| 14 | Bottom seat |
| 15 | Top seat |
| 16 | Diaphragm |
| 17 | Spring |
| 18 | Mounting bolts (4) |
| 19 | Adjustment screw |
| 20 | Counter nut |
| 21 | Washer |
Disassembly Procedure
Remove adjustment hardware
Using a 17mm socket, loosen and remove the adjustment screw (19) along with counter nut (20) and washer (21).
Assembly Procedure
Reverse disassembly steps, following the bolt tightening pattern:
| Component | Torque |
|---|---|
| Mounting bolts (18) | 35 in-lb |
Required tools
Required tools
- 17mm socket (adjustment screw)
- 5mm Allen key (mounting bolts)
- Torque wrench
- Filler gauge
Bleed Valve Maintenance

Pressure Indicator and Isolator
No periodic maintenance is required on the pressure indicator and isolator assembly.
Failure procedure
Failure procedure
If the pressure indicator or isolator fails:
- Depressurize the module completely
- Remove the isolator and pressure indicator assembly (24) from the block—hand-loosen only
- Contact supplier with RMA form
- Ship assembly for repair
Periodic Maintenance Schedule
Weekly Inspection
Weekly Inspection
- Visual inspection for leaks at all connection points
- Verify system operating pressure matches back pressure set point
- Check for chemical deposits or crystallization
Quarterly (Every 3 Months)
Quarterly (Every 3 Months)
Ball valve operation: Fully open and close each ball valve to prevent seat damage from extended static positions. Record each operation.
Every 3 Years
Every 3 Years
Regulating valve inspection: Fully inspect back pressure and pressure relief valve diaphragms. Replace diaphragms showing signs of wear.
Cleaning
Cleaning
Clean the DICE module when deposits, scaling, or crystals obstruct flow. Cleaning frequency depends on:
- Chemical properties
- Operating conditions
- Environment
Spare Parts
To order spare parts, provide:- Module serial number (engraved on block)
- Part number from the Parts List
Related Products
DICE DS — Suction Lift
1/2” module for suction lift applications
DICE DM — Flooded Suction
1/2” and 1” modules for flooded suction
Sources
DICE IOM Manual V12E
Pages 31–38 • July 2022