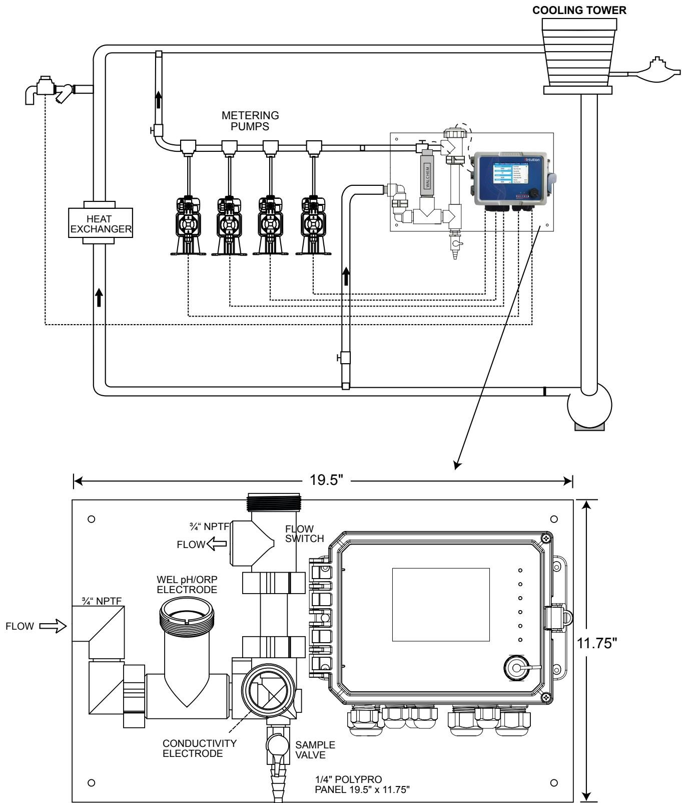
Walchem Intuition-6 Controller
Source: Intuition-6 Instruction Manual Rev. H, Pages: 1–6 The Walchem Intuition-6 Series controller is a microprocessor-based measuring and control instrument designed for water treatment applications. It combines flexible sensor inputs with powerful control algorithms to manage chemical dosing, blowdown, and monitoring across cooling towers, boilers, and industrial process systems.
Product Family
The Intuition-6 is available in application-specific configurations, each optimized with pre-configured sensor and control options:| Model | Application | Typical Use |
|---|---|---|
| WCT6 | Cooling Tower | Conductivity blowdown, inhibitor feed, biocide control |
| WBL6 | Boiler | Blowdown control, condensate monitoring |
| WDS6 | Disinfection | Chlorine, bromine, ClO₂, ozone, PAA control |
| WPH6 | pH Control | Acid/base neutralization, pH adjustment |
| WCN6 | Conductivity | General conductivity monitoring and control |
| WPD6 | Pyxis Oxidizer + pH | Fluorometer-based oxidizer with pH monitoring |
Key Capabilities
Sensor Inputs
One or two sensor inputs supporting conductivity, pH, ORP, disinfection sensors, and 4-20 mA transmitters
Control Outputs
Up to six relay outputs with powered, dry contact, or pulse solid state options
Digital Inputs
Six digital input channels for flow switches, water meters, and feed monitors
Connectivity
Ethernet for web access, email alerts, Modbus TCP, and BACnet integration
Sensor Compatibility
| Sensor Type | Description |
|---|---|
| Contacting Conductivity | 0.01, 0.1, 1.0, or 10.0 cell constant |
| Electrodeless Conductivity | For high-conductivity or coating applications |
| pH and ORP | Preamplified signals (WEL/WDS series) |
| Disinfection | Free chlorine, total chlorine, chlorine dioxide, ozone, peracetic acid |
| Generic Sensors | Ion Selective Electrodes or linear voltage outputs |
| 4-20 mA Transmitters | Fluorometers, corrosion monitors, flow meters |
Control Output Options
| Output Type | Rating | Use Case |
|---|---|---|
| Powered Mechanical Relays | 6 A resistive, fused as group | Direct pump/valve control |
| Dry Contact Mechanical Relays | 6 A resistive, not fused | External power source switching |
| Pulse Solid State Opto | 200 mA, 40 VDC max | Proportional and PID control |
| 4-20 mA Analog (optional) | 600 Ω max load | Variable speed pumps, valves |
Control Modes
The Intuition-6 includes over 20 control algorithms covering virtually every water treatment scenario:- Basic Control
- Proportional
- Timer-Based
- Flow-Based
- HVAC/Boiler
| Mode | Description |
|---|---|
| On/Off | Single set point with deadband |
| Dual Set Point | Control within or outside a range |
| Manual | Relay activates only in Hand mode |
Some control modes require specific hardware configurations. Pulse proportional and PID control require opto relay outputs. Analog control modes require the optional 4-20 mA output card.
Connectivity Options
Use these options to connect the controller to local networks or remote services.Ethernet
Remote access via direct connection, LAN, or Walchem Fluent cloud service:- Web-based configuration and monitoring
- Email alerts and datalog reports
- Modbus TCP and BACnet integration
- Remote sensor calibration
Walchem Fluent Cloud Platform
Walchem Fluent Cloud Platform
Walchem Fluent is a cloud-based water treatment management platform that extends controller capabilities:
- Real-time monitoring — Access controller data from any device
- Alarm management — Prioritized alarms with escalation and acknowledgment
- Data visualization — Interactive graphs with historical trending
- Multi-site management — Organize customers and facilities in a single dashboard
- Team permissions — Admin, technician, and view-only user roles
USB
Local utility functions:- Firmware upgrades
- Configuration file backup and transfer
- Datalog export to spreadsheet format
Virtual Inputs and Outputs
The controller provides six virtual inputs and six virtual control outputs for advanced applications:Virtual Input Calculations
Virtual Input Calculations
Virtual inputs can calculate values from physical sensors:
- Difference — Input 1 minus Input 2
- Ratio — Input 1 divided by Input 2 (cycles of concentration)
- Total — Input 1 plus Input 2
- % Difference — Percent rejection calculations
- Redundant — Primary/Backup or Min/Max sensor selection
Virtual Output Uses
Virtual Output Uses
Virtual outputs implement control algorithms that can interlock or activate physical outputs, conserving relay resources for complex control schemes.
Typical Applications
Cooling Tower Control
- Conductivity-based blowdown with inhibitor feed
- Biocide timer programs with pre-bleed
- Flow proportional chemical dosing
- Cycles of concentration monitoring
Boiler Blowdown
- Intermittent sampling with trapped sample
- Continuous or proportional blowdown
- Surface and bottom blowdown coordination
Disinfection Control
- Chlorine/bromine residual control
- ORP-based oxidant control with spike events
- pH-chlorine combination sensors
- EPA Method 334.0 compliant chlorine reporting
Process Control
- pH adjustment with proportional or PID
- Corrosion inhibitor dosing
- Tagged tracer (PTSA/polymer) monitoring

Physical Characteristics
| Specification | Value |
|---|---|
| Enclosure | Polycarbonate, NEMA 4X (IP66) |
| Display | 5” TFT color touchscreen (800 x 480 pixels), multi-language |
| Dimensions | 11.1” x 8.3” x 5.5” (282 x 211 x 140 mm) |
| Operating Temperature | -4 to 131°F (-20 to 55°C) |
| Power | 100-240 VAC, 50/60 Hz |
What’s Included
Each Intuition-6 controller ships with:- Controller with installed option cards per order
- Instruction manual
- Power cord (prewired models) or conduit fittings (hardwired models)
Related Documentation
Specifications
Detailed measurement and electrical specifications
Installation
Mounting, sensor installation, and wiring diagrams
Programming Guide
Complete control mode reference for all relay algorithms
Operation
Touchscreen interface and menu navigation
Sources
Intuition-6 Instruction Manual Rev. H
Pages 1–6 • February 2024